A rooftop solar PV array is only as reliable as the mounting system that supports it. That’s why the Angels Solar SolarRack 30–40 Rail System is engineered to deliver exceptional stability, durability, and installation efficiency for sloped rooftop projects.
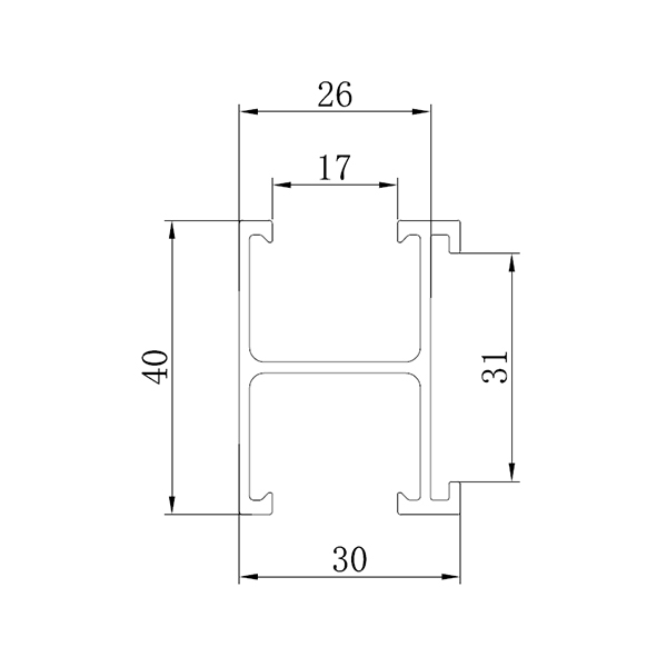
Designed specifically for metal roofs, the SolarRack system offers broad installation flexibility and ensures a secure, long-lasting connection between your solar modules and the roof structure. The system features high-strength aluminum rails, precision-designed brackets, fastening rails, and trapezoidal roof mounts—all optimized to deliver a seamless installation experience.
The lightweight yet robust aluminum components not only simplify handling during installation but also provide superior resistance to corrosion, ensuring long-term performance even in harsh outdoor environments. With Angels Solar’s carefully engineered rail profiles and mounting accessories, installers can complete projects faster while maintaining high structural integrity and professional aesthetics.
Choose Angels Solar to enhance the reliability and efficiency of your rooftop PV installations with a mounting solution built for strength, speed, and long-term value.

Product Features
It fits a 30mm to 45mm framed panel
Significant savings
High module compatibility
Static reliability
Maximum service life
Product Parameters
| Application: | Solar Rooftop |
| Length: | L2000mm/L2500mm/L3000mm orcustomizable |
| Snow Load: | ≤1.5KN/M2 |
| Wind speed: | 60m/s |
| Module Orientation: | Landscape/portrait |
| Module Type: | Framed and Frameless |
| Material: | AL6005-T5 |
| Standard: | ASCE 7-10,JIS C8955: 2017,EN1090,International Building Code lBC 2009 |
ANGELS SOLAR is your one-stop shop, which also provides nearly all the accessories you need for installing your solar mounting system products. We have a full range of clamps, hooks, and other products to your multiple application needs.
Custom Options
。Size
。Materials
。Functionality Requirements
。Additional options depending on your specific installation conditions
Product Advantages
The anti-corrosion and durable construction of our accessories protects your solar panels for a long time. Give your photovoltaic system a solid base that can withstand the harsh elements to protect your investment.
Why You Need a Ground Mounting System?
You can utilize our ground mounting system to install photovoltaics within your outdoor space. What makes our ground mounts the best choice in the market? We utilize only high-end materials that have a resistance against corrosion and rust.
While you enjoy our long-lasting ground mounting brackets, you also benefit from the competitive pricing on our ground mount system.
ANGELS SOLAR Offers Trusted Accessories
Our Accessories Can Support Your Solar System Working
The accessories are essential to setting up your solar mount system and installing your photovoltaic panels. From clamps to bolts, our products efficiently attach your panels to our mounts.
Utilize our accessories for your solar system that our engineers have meticulously inspected during manufacturing. Also, we offer those products at a low price and maintenance rate.
Cooperate with ANGELS SOLAR - Solar Mounting Accessories Manufacturer
We meet the global standards in the solar mounting system by focusing on your needs and providing exceptional services, such as our pre-sales consultation. You also receive 10-year warranty coverage for our products.
ANGELS SOLAR’s experienced team and advanced machinery made us one of China’s reliable solar system accessories manufacturers. We have the products and services that will ensure a fully functional photovoltaic solution on your premises.
Warranty & Commitment
ANGELS SOLAR offers a 10-year warranty for all ANGELS SOLAR solar mounting system products and accessories.
ANGELS SOLAR is committed to providing users with qualified products and accessories that are consistent in materials and manufacturing process.
This warranty is only valid if the product is properly installed and approved in accordance with the instructions provided. ANGELS SOLAR provides maintenance services or replacement parts equivalent to the original product for any defective product.
You're free to contact us to get all the warranty details.
We are one of the vendors of Clenergy who is a listed company, in the while, we OEM for many domestic companies. With cost advantage and service awareness, we ensure your products from materials to finished products. We offer customized solar mounting system solutions to meet your requirements.
We are one of the vendors of Clenergy who is a listed company, in the while, we OEM for many domestic companies. With cost advantage and service awareness, we ensure your products from materials to finished products. We offer customized solar mounting system solutions to meet your requirements.
It is a better way that have our engineers work out a solution according to the local geological conditions, if the wind speed more than 60m/s, or snow load over 1.5 Kn/㎡. Our engineers are experienced enough to deal with all kinds of severe weather.
We recommend the bolt made of 304 stainless steel.
2-3 weeks for regular orders. Customized orders depend on the quantity and agreement.
Negotiable: T/T, L/C, D/P, D/A, OA, Western Union.
Yes, We do, We are strength lies in having own factory and years of experience in producing galvanized-steel,aluminum structures and ODM of solar mounting structures,being professional in the whole quality control,inspection process and a dedicated team of engineers experienced in designing solar mounting structures.